Двухосевой поворотный стол с наклоном от ЧПУ CNCT-630 GSA+
| Модель: |  | CNCT-630 | 
| Производитель: |  | GSA | 
Компактный дизайн позволяет устанавливать на станки с длиной стола от 1 м. Простая установка на традиционные 3-осевые станки. С помощью 1-осевого контроллера GSA+, подключаемого к системе ЧПУ через М-коды для программируемого наклона стола, можно производить 5-осевую обработку без изменения конструкции станка и его электрооборудования.
По требованию заказчика стол может быть оснащен как гидравлическим, так и пневматическим зажимным устройством. Для повышения точности позиционирования может быть установлен фотоэлектрический датчик.
| Технические характеристики CNCT-630 | ||
|---|---|---|
| Параметр | Ед. изм. | Значение | 
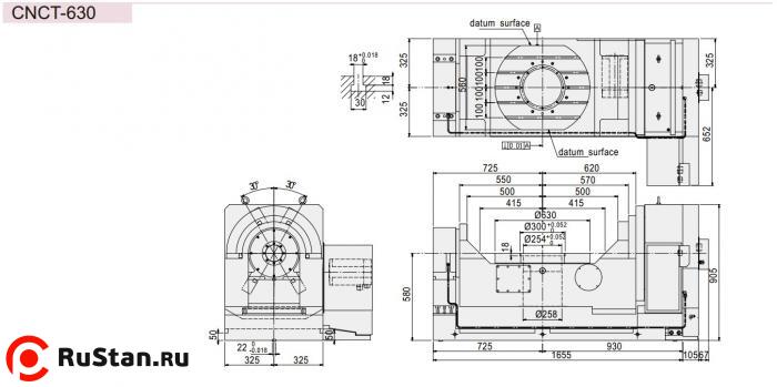
| Диаметр | мм | 630 | 
| Высота центра | мм | 580 | 
| Общая высота | мм | 905 | 
| Вес CNCT-630 нетто (без двигателя) | кг | 2650 | 
| Центральное отверстие | мм | 254Н7 | 
| Ширина Т-пазов | мм | 18Н7 | 
| Ширина направляющего сухаря | мм | 22Н7 | 
| Поворот и наклон | |||
|---|---|---|---|
| Параметр | Ед. изм. | Поворот | Наклон | 
| Сервомотор Meldas | НF-354S | НF-354S | |
| Сервомотор Fanuc | a22i | a22i | |
| Сервомотор Siemens | 1FK7101 | 1FK7101 | |
| Сервомотор Heidenhein | QSY155D | QSY155D | |
| Передаточное число | 1:180 | 1:360 | |
| Угол наклона | град | -120…120 | -120…120 | 
| Минимальный угол | град | 0,001 | 0,001 | 
| Максимальные обороты | об/мин | 11.1 | 5.6 | 
| Усилие пневмозажима | кг*м | 350 | 420/800 | 
| Усилие гидрозажима | кг*м | 700 | - | 
| Точность позиционирования | 15” | 30” | |
| Повторяемость | с | ±4” | |
| Максимальные нагрузки | |||
|---|---|---|---|
| Параметр | Схема | Ед. изм. | Значение | 
| Максимальная вертикальная нагрузка |  | кг | W = 300 | 
| Максимальная горизонтальная нагрузка |  | кг | W = 500 | 
| Максимальное радиальное усилие |  | кг | F = 2080 | 
| Максимальное радиальное усилие |  | кг*м | FxL = 800 | 
| Максимальное радиальное усилие |  | кг*м | FxL = 390 | 
| Максимальная рабочая инерция |  | кг*см*сек2 | 360 | 
Комментарии и вопросы:
Комментариев пока нет, но ваш может быть первым.Разметить комментарий или вопрос
 
                                        


 
         
         
        