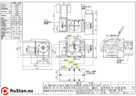
Двухосевой поворотный стол с наклоном от ЧПУ CNCT-200 GSA+
| Модель: |  | CNCT-200 | 
| Производитель: |  | GSA | 
Компактный дизайн позволяет устанавливать на станки с длиной стола от 1 м. Простая установка на традиционные 3-осевые станки. С помощью 1-осевого контроллера GSA+, подключаемого к системе ЧПУ через М-коды для программируемого наклона стола, можно производить 5-осевую обработку без изменения конструкции станка и его электрооборудования.
По требованию заказчика стол может быть оснащен как гидравлическим, так и пневматическим зажимным устройством. Для повышения точности позиционирования может быть установлен фотоэлектрический датчик.
| Технические характеристики CNCT-200 | ||
|---|---|---|
| Параметр | Ед. изм. | Значение | 
| Диаметр | мм | 200 | 
| Высота центра | мм | 195 | 
| Общая высота | мм | 360 | 
| Вес CNCT-200 нетто (без двигателя) | кг | 240 | 
| Центральное отверстие | мм | 35Н7 | 
| Ширина Т-пазов | мм | 12Н7 | 
| Ширина направляющего сухаря | мм | 18Н7 | 
| Поворот и наклон | |||
|---|---|---|---|
| Параметр | Ед. изм. | Поворот | Наклон | 
| Сервомотор Meldas | НF-104T | НF-154T | |
| Сервомотор Fanuc | a4i | a8i | |
| Сервомотор Siemens | 1FK7060 | 1FK7063 | |
| Сервомотор Heidenhein | QSY116C | QSY116E | |
| Передаточное число | 1:90 | 1:180 | |
| Угол наклона | град | -110…110 | -110…110 | 
| Минимальный угол | град | 0,001 | 0,001 | 
| Максимальные обороты | об/мин | 22.2 | 11.1 | 
| Усилие пневмозажима | кг*м | 25 | 25 | 
| Усилие гидрозажима | кг*м | 50 | 50 | 
| Точность позиционирования | 20” | 50” | |
| Повторяемость | с | ±4” | |
| Максимальные нагрузки | |||
|---|---|---|---|
| Параметр | Схема | Ед. изм. | Значение | 
| Максимальная вертикальная нагрузка |  | кг | W = 50 | 
| Максимальная горизонтальная нагрузка |  | кг | W = 100 | 
| Максимальное радиальное усилие |  | кг | F = 500 | 
| Максимальное радиальное усилие |  | кг*м | FxL = 50 | 
| Максимальное радиальное усилие |  | кг*м | FxL = 102 | 
| Максимальная рабочая инерция |  | кг*см*сек2 | 6 | 
Комментарии и вопросы:
Комментариев пока нет, но ваш может быть первым.Разметить комментарий или вопрос
 
                                        


 
         
         
        