Двухосевой поворотный стол с наклоном от ЧПУ CNCT-100 GSA+
| Модель: | ![]() |
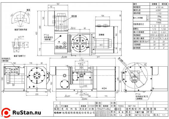
CNCT-100 |
| Производитель: | ![]() |
GSA |
Компактный дизайн позволяет устанавливать на станки с длиной стола от 1 м. Простая установка на традиционные 3-осевые станки. С помощью 1-осевого контроллера GSA+, подключаемого к системе ЧПУ через М-коды для программируемого наклона стола, можно производить 5-осевую обработку без изменения конструкции станка и его электрооборудования.
По требованию заказчика стол может быть оснащен как гидравлическим, так и пневматическим зажимным устройством. Для повышения точности позиционирования может быть установлен фотоэлектрический датчик.
Технические характеристики CNCT-100 | ||
|---|---|---|
| Параметр | Ед. изм. | Значение |
| Диаметр | мм | 120 |
| Высота центра | мм | 150 |
| Общая высота | мм | 235 |
| Вес CNCT-100 нетто (без двигателя) | кг | 105 |
| Центральное отверстие | мм | 30Н7 |
| Ширина Т-пазов | мм | 10Н7 |
| Ширина направляющего сухаря | мм | 14Н7 |
| Поворот и наклон | |||
|---|---|---|---|
| Параметр | Ед. изм. | Поворот | Наклон |
| Сервомотор Meldas | НF-75T | НF-75T | |
| Сервомотор Fanuc | a2i | a2i | |
| Сервомотор Siemens | 1FK7042 | 1FK7042 | |
| Сервомотор Heidenhein | QSY96A | QSY96A | |
| Передаточное число | 1:72 | 1:120 | |
| Угол наклона | град | -20…120 | -20…120 |
| Минимальный угол | град | 0,001 | 0,001 |
| Максимальные обороты | об/мин | 27.8 | 16.7 |
| Усилие пневмозажима | кг*м | 12 | 12 |
| Усилие гидрозажима | кг*м | 24 | 24 |
| Точность позиционирования | 30” | 60” | |
| Повторяемость | с | ±4” | |
| Максимальные нагрузки | |||
|---|---|---|---|
| Параметр | Схема | Ед. изм. | Значение |
| Максимальная вертикальная нагрузка | ![]() | кг | W = 20 |
| Максимальная горизонтальная нагрузка | ![]() | кг | W = 35 |
| Максимальное радиальное усилие | ![]() | кг | F = 400 |
| Максимальное радиальное усилие | ![]() | кг*м | FxL = 24 |
| Максимальное радиальное усилие | ![]() | кг*м | FxL = 30 |
| Максимальная рабочая инерция | ![]() | кг*см*сек2 | 0.87 |
Комментарии и вопросы:
Комментариев пока нет, но ваш может быть первым.Разметить комментарий или вопрос
Отзывы о CNCT-100:
Отзывов пока нет, но ваш может быть первым.Обозначение GSA используется исключительно для идентификации товаров соответствующего производителя. ООО "Компания "РуСтан" не является правообладателем товарного знака GSA и не аффилировано с правообладателем.










