Каталог
Купить в лизинг Сравнить Избранное
Модель:
ARG 300 Plus Е
Артикул:
102036
Производитель: Каталог компании STALEX
Сертификат: Официальный дилер
  • Описание
  • Документы
  • Комментарии
  • Отзывы

Техническое описание станка ARG 300 Plus Е

Универсальный ленточнопильный станок ARG 300 Plus Е предназначен для использования в условиях серийного производства, металлообрабатывающих мастерских и ремонтных цехах. Конструкция на базе отливок из серого чугуна обеспечивает высокую виброустойчивость и точность реза. Ленточное полотно размером 27×0,9 мм позволяет обрабатывать широкий спектр материалов, включая нержавеющие и инструментальные стали.

Подъем рамы осуществляется вручную, рабочая подача — под собственным весом рамы с регулировкой скорости дроссельным клапаном гидроцилиндра. После окончания реза привод автоматически останавливается. Пружинная система облегчает подъем рамы и позволяет регулировать усилие.

Универсальные тиски обеспечивают пиление под углом от -45° до +60°. Поворотный стол исключает повреждение рабочей поверхности. Современная пильная рама со шкивами увеличенного диаметра снижает нагрузку на полотно, повышает точность и срок службы инструмента. Вся электропроводка и трубки СОЖ скрыты внутри рамы и защищены от повреждений; задний кожух на петлях упрощает обслуживание и замену полотна.

Особенности конструкции

  • Основные компоненты из серого чугуна — высокая жесткость и виброустойчивость.
  • Современный дизайн рамы для обработки заготовок больших размеров.
  • Плавная регулировка угла реза от -45° до +60° с фиксацией на 45°, 60° и 90°.
  • Массивные быстрозажимные тиски (ручной зажим + рычаг быстрой доводки).
  • Шкивы большого диаметра и трехсторонние твердосплавные направляющие пилы — увеличение стойкости полотна и точности реза.
  • Бесшумный червячный мотор-редуктор, не требующий обслуживания.
  • Трехфазный двухскоростной двигатель (400 В) с выбором скорости 40/80 м/мин.
  • Высокопроизводительный насос СОЖ с раздельной регулировкой потока на обе направляющие; бак и помпа размещены внутри тумбы.
  • Эргономичная панель управления на тумбе станка.
  • Опционально: щётка для очистки ленточного полотна с синхронизированным приводом от ведущего колеса.

Цикл пиления

  1. Установка заготовки в тиски.
  2. Нажатие кнопки «Пуск» на пульте управления — полотно начинает вращаться.
  3. Настройка скорости опускания рамы маховиком гидрорегулятора.
  4. После завершения реза станок автоматически отключается в нижнем положении рамы.
  5. Оператор поднимает раму вручную на необходимую высоту и устанавливает следующую заготовку.

  6. Технические характеристики ARG 300 Plus Е

    Характеристика Значение
    Модель ARG 300 Plus Е
    Главный двигатель 400 В, 50 Гц, 1,2 / 1,55 кВт (двухскоростной)
    Мотор помпы СОЖ 400 В, 50 Гц, 0,05 кВт
    Скорость резания 40 / 80 м/мин (две ступени)
    Привод Зубчатый (червячный редуктор)
    Углы поворота рамы -45° … 0° … +45° … +60°
    Максимальные размеры заготовки, мм
    круг (диаметр) при +90° / -45° / +45° / +60° 300 / 220 / 240 / 155
    квадрат при +90° / -45° / +45° / +60° 290 / 190 / 190 / 150
    прямоугольник при +90° 360 × 190
    прямоугольник при -45° 240 × 100
    прямоугольник при +45° 240 × 160
    прямоугольник при +60° 150 × 150
    Размер ленточного полотна 3150 × 27 × 0,9 мм
    Подача пильной рамы Собственный вес с гидравлической регулировкой
    Зажим заготовки Ручной + рычаг быстрой доводки
    Высота стола тисков 910 мм
    Объем бака СОЖ 15 л
    Габаритные размеры (мин.) 1840 × 890 × 1520 мм
    Габаритные размеры (макс.) 2210 × 1720 × 2150 мм
    Масса станка 460 кг
    Производство Чехия
    Гарантия 1 год

    Упор DR для выставления заготовок со шкалой, длинной 500 мм (в стандартной комплектации).

    Возможность регулировать скорость вращения пилы в диапазоне от 15 до 90 м/мин, назначая оптимальный режим для каждого материала (заказывается дополнительно).

    Тиски - зажим заготовки.

    Конструкция поворотного механизма позволяет при повороте рамы поворачивать основание нулевого реза (благодаря чему на основание не будет дополнительных распилов механизма).

    Рычаг быстрого зажима – предназначен для быстрого зажатия/освобождения однотипных заготовок, альтернатива гидравлическим тискам (в стандартной комплектации).

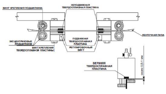
    Трехсторонние твердосплавные направляющие увеличивают многократно стойкость инструмента и точность распила (в стандартной комплектации).

    Заводская табличка

    Прижим вертикальный ручной VP 300 Plus.

    Используется для зажима пакета заготовок. Обеспечивает простую и надежную дополнительную фиксацию заготовок сверху (заказывается дополнительно).

    Для установки прижима - необходимо заранее просверлить отверстия и нарезать резьбу в губках тисков станка.

    Лампа галогенная LA 50.

    Обеспечивает качественное освещение зоны реза станка. Необходимо в условиях затемненных производственных помещений (заказывается дополнительно).

    Распыление масляного тумана MM.

    Распыление масляного тумана на режущую кромку пилы. Заменяет традиционное охлаждение СОЖ, особенно при резке заготовок профильного сечения, когда происходит большая утечка СОЖ вне станка. Возможно использование органических масел (заказывается дополнительно).

    Раздающий лоток KL.

    Является продолжением стола станка и позволяет отрезанным заготовкам скатываться в контейнер, когда ведется обработка большой серии. Лоток состоит из 2-х частей, что исключает стекание СОЖ вне станка (заказывается дополнительно).

    Индикатор натяжения ленты CD.

    Позволяет оптимально натягивать ленточную пилу и контролировать натяжение в процессе работы. Правильное натяжение многократно увеличивает срок службы инструмента и точность обработки (заказывается дополнительно).

    Лазерный указатель линии реза LS.

    Проецирует линию реза на заготовку. Снижает время установки и упрощает позиционирование заготовки в станке (заказывается дополнительно).

    Щетка для снятия стружки KDM. Стальная щетка, приводимая в движение ведомым шкивом. Используется для удаления стружки с ленточного полотна (заказывается дополнительно).

    Автоматическое опускание рамы c заданной скоростью.

    В стандартной комплектации станков регулировочный клапан должен быть закрыт после подъема рамы в верхнее положение, после чего скорость опускания должна быть выставлена повторно.

    В данной опции дроссельный клапан оборудован дополнительным электрическим клапаном, который остается в заданном положении даже после подъема рамы, что исключает необходимость заново устанавливать нужную вам скорость. Данная опция исключает ошибку с правильной установки скорости резания, увеличивает срок службы ленточного полотна и упрощает работу при пакетной резке. (заказывается дополнительно).

    Рольганги

Комментарии и вопросы:

Комментариев пока нет, но ваш может быть первым.
Разметить комментарий или вопрос

Отзывы о ARG 300 Plus Е:

Отзывов пока нет, но ваш может быть первым.

Компания-изготовитель оставляет за собой право на изменение комплектации и места производства товара без уведомления!

Обращаем Ваше внимание на то, что информация на сайте не является публичной офертой!

Вверх